Плата (силовой модуль для Arduino) MOSFET IRF540 V4.0 – 4 канала
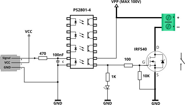
Полевые транзисторы позволяют коммутировать постоянный ток с напряжением до 100 В и силой до 33 А! Максимальная рассеиваемая мощность без радиатора составляет 150 Вт. Пороговое напряжение затвора – 2-4 В. Для беспроблемного открытия транзисторов коммутируемое напряжение должно быть выше 9 В. Сопротивление открытого канала составляет 44 мОм.
Для разделения цепей управления и нагрузки каждый канал модуля оборудован оптопарой.
Управляемая нагрузка и источник питания подключаются к модулю через клеммные колодки. Это гарантирует удобное и надёжное соединение.


ОСНОВНЫЕ ДОСТОИНСТВА
- Коммутация мощных нагрузок
- Гальваническая развязка на оптроне помогает защитить микроконтроллер от высокого напряжения и тока
- Надёжное и удобное соединение с микроконтроллером
ПРИМЕРЫ ИСПОЛЬЗОВАНИЯ
- Управление питанием электродвигателей, светодиодов, сервоприводов и т.д.
КОМПЛЕКТАЦИЯ
- 1 × модуль MOSFET IRF540 V4.0














